网站首页
关于我们
产品展示
新闻资讯
联系方式
企业规模
人才招聘
中文
EN
产品展示
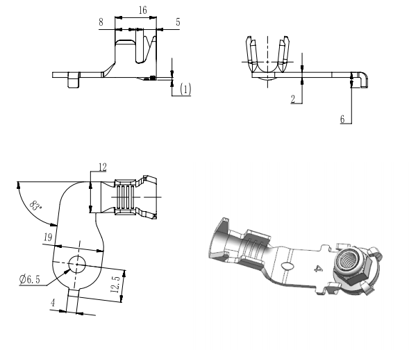
型号:
RSD2D6036
压接线径:
16-25
料厚:
2
材质:
H65Y2
孔径:
6.5
表面处理:
亚光锡
折弯角度:
/
限位类型:
单
单双尾压:
双
孔到尾压距离:
/
孔到限位距离:
12.5
产品详情
Administrator_RSD2D6036_dwgC.pdf